需查看詳細資料,請下載產品樣本或直接打電話索取,謝謝!
產品用于:冶金設備、物流設備、輕工包裝、紡織機械、木工機械、叉車、風力發電、起重、煤礦
聯系電話:0391-7543530 15239003005
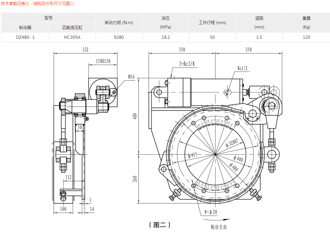
概述:DZ系列帶式制動器主要用于船用起重機回轉、起升、俯仰機構的制動。
主要特點:使用安全可靠,制動平穩,動作頻率高;彈簧制動,液壓釋放;整體結構簡單緊湊,重量輕;主要擺動絞點設有自潤滑軸承,傳動效率高、壽命長,在使用過程中無需潤滑;無石棉制動襯墊,綠色環保。
使用條件:
環境溫度: -20℃ -40℃
戶外雨雪侵蝕或有腐蝕性氣體和介質應采用防腐型產品。





